
專業生產葉片開關生產/機芯葉片開關廠家:穎鑫電子科技有限公司
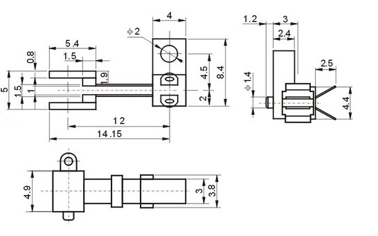
主打產品有:葉片開關、玩具機芯開關,DVD機芯開關,限位開關,照相機限制開關,玩具葉片系列
適用于,玩具,電動玩具,玩具公仔,家用電器,電子通訊,電子游戲機.
優點:體積小,壽命長,環保安全,美觀
包裝:常規包裝1000粒/包,可按照客戶要求進行包裝!
價格最低,質量最好!一直是我的宗旨!
公司從設計、制作、后加工、到送貨上門我們實行一站式服務;與您精誠合作,共創雙贏!
請記住我們的網站:www.switchcn.net
東莞滾珠開關廠家:www.gudir.cn
上一篇:葉片開關LSA-10
下一篇:葉片開關LSA-12